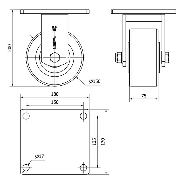
ALEX SERIE HLB-HU, Platina/Fijo/Sin Freno

Ruedas de alta capacidad de carga HLB-HU para usos y aplicaciones industriales para transporte logístico, área de exteriores, logística interna, gradas móviles


Nuestra gama de ruedas HLB son recomendada para el sector industrial de alta carga donde su uso es aplicable en: útiles de transporte logístico, aéreas de exteriores, logística interna, logística material misiones, gradas móviles, útiles de transporte, plataformas elevadoras, utillaje para el sector aeronáutico, utillaje para el sector automoción, manutención de factorías, industrias metalúrgicas y químicas.
Aplicadas en proyectos de ingeniería mecánica y recomendada para carretillas grandes con empuje mecánico.



Ruedas con núcleo de acero y banda de poliuretano fundido con dureza de 95˚ shore A, especialmente indicada para soportar altas cargas hasta 1.900 Kg.
Se aplica en útiles de transporte logístico, área de exteriores, logística interna, gradas móviles, plataformas elevadoras, carros de transporte, AGV, logística material misiones, maquinaria pesada del sector de la construcción, grúas móviles. Principalmente en el sector aeronáutico, ferroviario y automoción.
HU: alta absorción a los golpes. Condiciones de pavimento desfavorables. Superficies rugosas, quebradas, con virutas metálicas, manchas de aceite, cristales, grasas, grava.

SOPORTE
Fabricada con acero soldado desde 8 m/m hasta 18 m/m de espesor.
Acabado pintado negro.
Combinación de cojinetes de bolas y conicos en el soporte: el superior para esfuerzos axiales, y el inferior para esfuerzos radiales.
Engrasadores en el cabezal del soporte y en la rueda.
Fabricadas según normas europeas EN 12532/12533.

PROPIEDADES
Tipo Producto: Rueda
Tipo Fijación: Platina
Tipo Soporte: Fijo
Tipo Freno: Sin Freno
Aro: HUB
Material: Poliuretano
Dureza del bandaje: 95º SHORE A

Listado de referencias

Referencia Descripción
2-1756R.FIJA 17HLB100-HUB HIERRO-POLIUR.NARANJA EJE BOLAS
2-1757R.FIJA 17HLB125-HUB HIERRO-POLIUR.NARANJA EJE BOLAS
2-1758R.FIJA 17HLB150-HUB HIERRO-POLIUR.NARANJA EJE BOLAS
2-0058R.FIJA 17HLB150A-HUB HIERRO-POLIUR.NARANJA EJE BOLAS
2-1759R.FIJA 17HLB200-HUB HIERRO-POLIUR.NARANJA EJE BOLAS
2-5206R.FIJA 17HLB200A-HUB HIERRO-POLIUR.NARANJA EJE BOLAS
2-2295R.FIJA 17HLB250E-HUB HIERRO-POLIUR.NARANJA EJE BOLAS
2-1760R.FIJA 17HLB250H-HUB HIERRO-POLIUR.NARANJA EJE BOLAS
2-3433R.FIJA (ANCHA) 17HLB250A-HUB HIERRO-POLIUR.NARANJA EJE BOLAS
4-1231R.FIJA 17HLB300H-HUB HIERRO-POLIUR.NARANJA EJE BOLAS
2-3434R.FIJA (ANCHA) 17HLB300A-HUB HIERRO-POLIUR.NARANJA EJE BOLAS

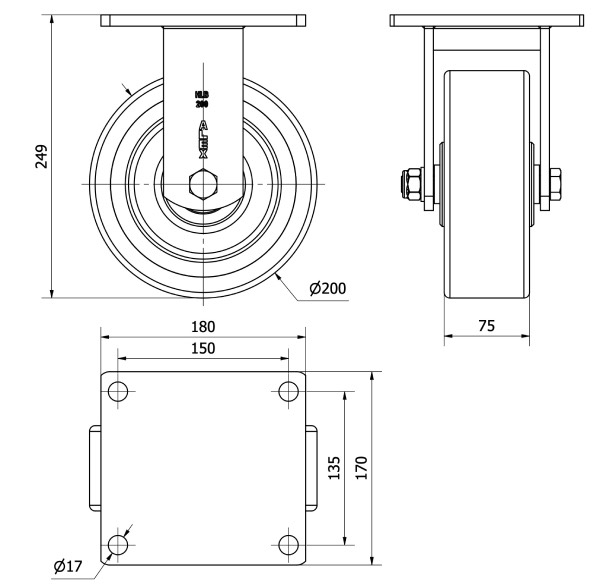
SERIE HLB-HU, Platina/Giratorio/Sin Freno

Ruedas de alta capacidad de carga HLB-HU para usos y aplicaciones industriales para transporte logístico, área de exteriores, logística interna, gradas móviles

  Ver producto

SERIE HLB-HU, Platina/Giratorio/Freno Rueda y Soporte

Ruedas de alta capacidad de carga HLB-HU para usos y aplicaciones industriales para transporte logístico, área de exteriores, logística interna, gradas móviles

  Ver producto

SERIE HLB-HU, Platina/Giratorio/Bloqueo direccional

Ruedas de alta capacidad de carga HLB-HU para usos y aplicaciones industriales para transporte logístico, área de exteriores, logística interna, gradas móviles

  Ver producto
SERIE HLB-HU, Platina/Fijo/Sin Freno
SERIE HLB-HU, Platina/Fijo/Sin Freno
R.FIJA 17HLB100-HUB HIERRO-POLIUR.NARANJA EJE BOLAS
R.FIJA 17HLB100-HUB HIERRO-POLIUR.NARANJA EJE BOLAS
R.FIJA 17HLB100-HUB HIERRO-POLIUR.NARANJA EJE BOLAS
R.FIJA 17HLB100-HUB HIERRO-POLIUR.NARANJA EJE BOLAS
R.FIJA 17HLB125-HUB HIERRO-POLIUR.NARANJA EJE BOLAS
R.FIJA 17HLB125-HUB HIERRO-POLIUR.NARANJA EJE BOLAS
R.FIJA 17HLB125-HUB HIERRO-POLIUR.NARANJA EJE BOLAS
R.FIJA 17HLB125-HUB HIERRO-POLIUR.NARANJA EJE BOLAS
R.FIJA 17HLB150-HUB HIERRO-POLIUR.NARANJA EJE BOLAS
R.FIJA 17HLB150-HUB HIERRO-POLIUR.NARANJA EJE BOLAS
R.FIJA 17HLB150-HUB HIERRO-POLIUR.NARANJA EJE BOLAS
R.FIJA 17HLB150-HUB HIERRO-POLIUR.NARANJA EJE BOLAS
R.FIJA 17HLB150A-HUB HIERRO-POLIUR.NARANJA EJE BOLAS
R.FIJA 17HLB150A-HUB HIERRO-POLIUR.NARANJA EJE BOLAS
R.FIJA 17HLB150A-HUB HIERRO-POLIUR.NARANJA EJE BOLAS
R.FIJA 17HLB150A-HUB HIERRO-POLIUR.NARANJA EJE BOLAS
R.FIJA 17HLB200-HUB HIERRO-POLIUR.NARANJA EJE BOLAS
R.FIJA 17HLB200-HUB HIERRO-POLIUR.NARANJA EJE BOLAS
R.FIJA 17HLB200-HUB HIERRO-POLIUR.NARANJA EJE BOLAS
R.FIJA 17HLB200-HUB HIERRO-POLIUR.NARANJA EJE BOLAS
R.FIJA 17HLB200A-HUB HIERRO-POLIUR.NARANJA EJE BOLAS
R.FIJA 17HLB200A-HUB HIERRO-POLIUR.NARANJA EJE BOLAS
R.FIJA 17HLB200A-HUB HIERRO-POLIUR.NARANJA EJE BOLAS
R.FIJA 17HLB200A-HUB HIERRO-POLIUR.NARANJA EJE BOLAS
R.FIJA 17HLB250E-HUB HIERRO-POLIUR.NARANJA EJE BOLAS
R.FIJA 17HLB250E-HUB HIERRO-POLIUR.NARANJA EJE BOLAS
R.FIJA 17HLB250E-HUB HIERRO-POLIUR.NARANJA EJE BOLAS
R.FIJA 17HLB250E-HUB HIERRO-POLIUR.NARANJA EJE BOLAS
R.FIJA 17HLB250H-HUB HIERRO-POLIUR.NARANJA EJE BOLAS
R.FIJA 17HLB250H-HUB HIERRO-POLIUR.NARANJA EJE BOLAS
R.FIJA 17HLB250H-HUB HIERRO-POLIUR.NARANJA EJE BOLAS
R.FIJA 17HLB250H-HUB HIERRO-POLIUR.NARANJA EJE BOLAS
R.FIJA (ANCHA) 17HLB250A-HUB HIERRO-POLIUR.NARANJA EJE BOLAS
R.FIJA (ANCHA) 17HLB250A-HUB HIERRO-POLIUR.NARANJA EJE BOLAS
R.FIJA (ANCHA) 17HLB250A-HUB HIERRO-POLIUR.NARANJA EJE BOLAS
R.FIJA (ANCHA) 17HLB250A-HUB HIERRO-POLIUR.NARANJA EJE BOLAS
R.FIJA 17HLB300H-HUB HIERRO-POLIUR.NARANJA EJE BOLAS
R.FIJA 17HLB300H-HUB HIERRO-POLIUR.NARANJA EJE BOLAS
R.FIJA 17HLB300H-HUB HIERRO-POLIUR.NARANJA EJE BOLAS
R.FIJA 17HLB300H-HUB HIERRO-POLIUR.NARANJA EJE BOLAS
R.FIJA (ANCHA) 17HLB300A-HUB HIERRO-POLIUR.NARANJA EJE BOLAS
R.FIJA (ANCHA) 17HLB300A-HUB HIERRO-POLIUR.NARANJA EJE BOLAS
R.FIJA (ANCHA) 17HLB300A-HUB HIERRO-POLIUR.NARANJA EJE BOLAS
R.FIJA (ANCHA) 17HLB300A-HUB HIERRO-POLIUR.NARANJA EJE BOLAS
SERIE HLB-HU, Platina/Fijo/Sin Freno
R.FIJA 17HLB100-HUB HIERRO-POLIUR.NARANJA EJE BOLAS
R.FIJA 17HLB100-HUB HIERRO-POLIUR.NARANJA EJE BOLAS
R.FIJA 17HLB125-HUB HIERRO-POLIUR.NARANJA EJE BOLAS
R.FIJA 17HLB125-HUB HIERRO-POLIUR.NARANJA EJE BOLAS
R.FIJA 17HLB150-HUB HIERRO-POLIUR.NARANJA EJE BOLAS
R.FIJA 17HLB150-HUB HIERRO-POLIUR.NARANJA EJE BOLAS
R.FIJA 17HLB150A-HUB HIERRO-POLIUR.NARANJA EJE BOLAS
R.FIJA 17HLB150A-HUB HIERRO-POLIUR.NARANJA EJE BOLAS
R.FIJA 17HLB200-HUB HIERRO-POLIUR.NARANJA EJE BOLAS
R.FIJA 17HLB200-HUB HIERRO-POLIUR.NARANJA EJE BOLAS
R.FIJA 17HLB200A-HUB HIERRO-POLIUR.NARANJA EJE BOLAS
R.FIJA 17HLB200A-HUB HIERRO-POLIUR.NARANJA EJE BOLAS
R.FIJA 17HLB250E-HUB HIERRO-POLIUR.NARANJA EJE BOLAS
R.FIJA 17HLB250E-HUB HIERRO-POLIUR.NARANJA EJE BOLAS
R.FIJA 17HLB250H-HUB HIERRO-POLIUR.NARANJA EJE BOLAS
R.FIJA 17HLB250H-HUB HIERRO-POLIUR.NARANJA EJE BOLAS
R.FIJA (ANCHA) 17HLB250A-HUB HIERRO-POLIUR.NARANJA EJE BOLAS
R.FIJA (ANCHA) 17HLB250A-HUB HIERRO-POLIUR.NARANJA EJE BOLAS
R.FIJA 17HLB300H-HUB HIERRO-POLIUR.NARANJA EJE BOLAS
R.FIJA 17HLB300H-HUB HIERRO-POLIUR.NARANJA EJE BOLAS
R.FIJA (ANCHA) 17HLB300A-HUB HIERRO-POLIUR.NARANJA EJE BOLAS
R.FIJA (ANCHA) 17HLB300A-HUB HIERRO-POLIUR.NARANJA EJE BOLAS