SERIE HLB-HU, Platina/Giratorio/Bloqueo direccional
SERIE HLB-HU, Platina/Giratorio/Bloqueo direccional
Ruedas de alta capacidad de carga HLB-HU para usos y aplicaciones industriales para transporte logístico, área de exteriores, logística interna, gradas móviles
Nuestra gama de ruedas HLB son recomendada para el sector industrial de alta carga donde su uso es aplicable en: útiles de transporte logístico, aéreas de exteriores, logística interna, logística material misiones, gradas móviles, útiles de transporte, plataformas elevadoras, utillaje para el sector aeronáutico, utillaje para el sector automoción, manutención de factorías, industrias metalúrgicas y químicas.
Aplicadas en proyectos de ingeniería mecánica y recomendada para carretillas grandes con empuje mecánico.
Ruedas con núcleo de acero y banda de poliuretano fundido con dureza de 95˚ shore A, especialmente indicada para soportar altas cargas hasta 1.900 Kg.
Se aplica en útiles de transporte logístico, área de exteriores, logística interna, gradas móviles, plataformas elevadoras, carros de transporte, AGV, logística material misiones, maquinaria pesada del sector de la construcción, grúas móviles. Principalmente en el sector aeronáutico, ferroviario y automoción.
HU: alta absorción a los golpes. Condiciones de pavimento desfavorables. Superficies rugosas, quebradas, con virutas metálicas, manchas de aceite, cristales, grasas, grava.
SOPORTE
Fabricada con acero soldado desde 8 m/m hasta 18 m/m de espesor.
Acabado pintado negro.
Combinación de cojinetes de bolas y conicos en el soporte: el superior para esfuerzos axiales, y el inferior para esfuerzos radiales.
Engrasadores en el cabezal del soporte y en la rueda.
Fabricadas según normas europeas EN 12532/12533.
PROPIEDADES
Tipo Producto: Rueda
Tipo Fijación: Platina
Tipo Soporte: Giratorio
Tipo Freno: Bloqueo direccional
Aro: HUB
Material: Poliuretano
Dureza del bandaje: 95º SHORE A
Ruedas de alta capacidad de carga HLB-HU para usos y aplicaciones industriales para transporte logístico, área de exteriores, logística interna, gradas móviles
Ruedas de alta capacidad de carga HLB-HU para usos y aplicaciones industriales para transporte logístico, área de exteriores, logística interna, gradas móviles
Ruedas de alta capacidad de carga HLB-HU para usos y aplicaciones industriales para transporte logístico, área de exteriores, logística interna, gradas móviles
Referencia: 2-3367 Código EAN: 8422202233673 Marca: ALEX
Acabados
Material: Poliuretano
Dimensiones
Peso del artículo (kg): 4,7080
Características
Diámetro (mm): 100 Cojinete: Bolas Medidas de la placa (mm): 150x110 Diámetro agujero (mm): 10 Ancho de banda (mm): 40 Capacidad de carga (kg): 350 Distancia entre agujeros (mm): 105x80 Radio de giro (mm): 90 Altura total (mm): 160 Volumen (cm3): 2904 Tipo Fijación: Platina Tipo Soporte: Giratorio Tipo Freno: Bloqueo direccional Aro: HUB
Datos packaging
Cantidad de contenido: 1.00 Unidad de contenido: Pieza
Referencia: 2-3368 Código EAN: 8422202233680 Marca: ALEX
Acabados
Material: Poliuretano
Dimensiones
Peso del artículo (kg): 5,4700
Características
Diámetro (mm): 125 Cojinete: Bolas Medidas de la placa (mm): 150x110 Diámetro agujero (mm): 10 Ancho de banda (mm): 40 Capacidad de carga (kg): 400 Distancia entre agujeros (mm): 105x80 Radio de giro (mm): 106 Altura total (mm): 183 Volumen (cm3): 3644 Tipo Fijación: Platina Tipo Soporte: Giratorio Tipo Freno: Bloqueo direccional Aro: HUB
Datos packaging
Cantidad de contenido: 1.00 Unidad de contenido: Pieza
Referencia: 2-3369 Código EAN: 8422202233697 Marca: ALEX
Acabados
Material: Poliuretano
Dimensiones
Peso del artículo (kg): 6,5150
Características
Diámetro (mm): 150 Cojinete: Bolas Medidas de la placa (mm): 150x110 Diámetro agujero (mm): 10 Ancho de banda (mm): 50 Capacidad de carga (kg): 800 Distancia entre agujeros (mm): 105x80 Radio de giro (mm): 121 Altura total (mm): 200 Volumen (cm3): 4312 Tipo Fijación: Platina Tipo Soporte: Giratorio Tipo Freno: Bloqueo direccional Aro: HUB
Datos packaging
Cantidad de contenido: 1.00 Unidad de contenido: Pieza
Referencia: 2-0076 Código EAN: 8420222200767 Marca: ALEX
Acabados
Color: Naranja Material: Poliuretano
Características
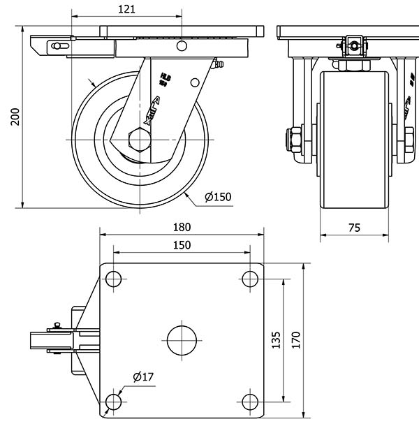
Diámetro (mm): 150A Cojinete: Bolas Medidas de la placa (mm): 180x170 Diámetro agujero (mm): 17 Ancho de banda (mm): 75 Capacidad de carga (kg): 1200 Distancia entre agujeros (mm): 150x135 Radio de giro (mm): 121 Altura total (mm): 200 Tipo Fijación: Platina Tipo Soporte: Giratorio Tipo Freno: Bloqueo direccional Aro: HUB
Datos packaging
Cantidad de contenido: 1.00 Unidad de contenido: Pieza
Referencia: 2-3370 Código EAN: 8422202233703 Marca: ALEX
Acabados
Material: Poliuretano
Dimensiones
Peso del artículo (kg): 7,7150
Características
Diámetro (mm): 200 Cojinete: Bolas Medidas de la placa (mm): 150x110 Diámetro agujero (mm): 10 Ancho de banda (mm): 50 Capacidad de carga (kg): 1100 Distancia entre agujeros (mm): 105x80 Radio de giro (mm): 155 Altura total (mm): 249 Volumen (cm3): 6300 Tipo Fijación: Platina Tipo Soporte: Giratorio Tipo Freno: Bloqueo direccional Aro: HUB
Datos packaging
Cantidad de contenido: 1.00 Unidad de contenido: Pieza
Referencia: 2-5208 Código EAN: 8422202252087 Marca: ALEX
Acabados
Color: Naranja Material: Poliuretano
Características
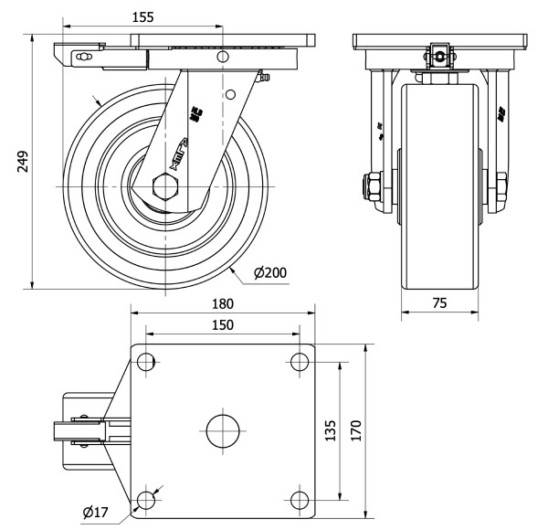
Diámetro (mm): 200A Cojinete: Bolas Medidas de la placa (mm): 180x170 Diámetro agujero (mm): 17 Ancho de banda (mm): 75 Capacidad de carga (kg): 1400 Distancia entre agujeros (mm): 150x135 Radio de giro (mm): 155 Altura total (mm): 249 Tipo Fijación: Platina Tipo Soporte: Giratorio Tipo Freno: Bloqueo direccional Aro: HUB
Datos packaging
Cantidad de contenido: 1.00 Unidad de contenido: Pieza
Referencia: 2-3371 Código EAN: 8422202233710 Marca: ALEX
Acabados
Material: Poliuretano
Dimensiones
Peso del artículo (kg): 10,7500
Características
Diámetro (mm): 250E Cojinete: Bolas Medidas de la placa (mm): 150x110 Diámetro agujero (mm): 10 Ancho de banda (mm): 50 Capacidad de carga (kg): 1100 Distancia entre agujeros (mm): 105x80 Radio de giro (mm): 197 Altura total (mm): 315 Volumen (cm3): 9425 Tipo Fijación: Platina Tipo Soporte: Giratorio Tipo Freno: Bloqueo direccional Aro: HUB
Datos packaging
Cantidad de contenido: 1.00 Unidad de contenido: Pieza
Referencia: 2-3372 Código EAN: 8422202233727 Marca: ALEX
Acabados
Material: Poliuretano
Dimensiones
Peso del artículo (kg): 13,7200
Características
Diámetro (mm): 250H Cojinete: Bolas Medidas de la placa (mm): 180x170 Diámetro agujero (mm): 16 Ancho de banda (mm): 50 Capacidad de carga (kg): 1250 Distancia entre agujeros (mm): 150x135 Radio de giro (mm): 197 Altura total (mm): 315 Volumen (cm3): 15369 Tipo Fijación: Platina Tipo Soporte: Giratorio Tipo Freno: Bloqueo direccional Aro: HUB
Datos packaging
Cantidad de contenido: 1.00 Unidad de contenido: Pieza
Referencia: 2-3546 Código EAN: 8422202235462 Marca: ALEX
Acabados
Material: Poliuretano
Dimensiones
Peso del artículo (kg): 17,1280
Características
Diámetro (mm): 250A Cojinete: Bolas Medidas de la placa (mm): 180x170 Diámetro agujero (mm): 16 Ancho de banda (mm): 75 Capacidad de carga (kg): 1500 Distancia entre agujeros (mm): 150x135 Radio de giro (mm): 197 Altura total (mm): 315 Volumen (cm3): 15369 Tipo Fijación: Platina Tipo Soporte: Giratorio Tipo Freno: Bloqueo direccional Aro: HUB
Datos packaging
Cantidad de contenido: 1.00 Unidad de contenido: Pieza
Referencia: 2-3373 Código EAN: 8422202233734 Marca: ALEX
Acabados
Material: Poliuretano
Dimensiones
Peso del artículo (kg): 15,5000
Características
Diámetro (mm): 300H Cojinete: Bolas Medidas de la placa (mm): 180x170 Diámetro agujero (mm): 16 Ancho de banda (mm): 57 Capacidad de carga (kg): 1270 Distancia entre agujeros (mm): 150x135 Radio de giro (mm): 230 Altura total (mm): 360 Volumen (cm3): 19584 Tipo Fijación: Platina Tipo Soporte: Giratorio Tipo Freno: Bloqueo direccional Aro: HUB
Datos packaging
Cantidad de contenido: 1.00 Unidad de contenido: Pieza
Referencia: 2-3547 Código EAN: 8422202235479 Marca: ALEX
Acabados
Material: Poliuretano
Dimensiones
Peso del artículo (kg): 18,9300
Características
Diámetro (mm): 300A Cojinete: Bolas Medidas de la placa (mm): 180x170 Diámetro agujero (mm): 16 Ancho de banda (mm): 75 Capacidad de carga (kg): 1900 Distancia entre agujeros (mm): 150x135 Radio de giro (mm): 230 Altura total (mm): 360 Volumen (cm3): 19584 Tipo Fijación: Platina Tipo Soporte: Giratorio Tipo Freno: Bloqueo direccional Aro: HUB
Datos packaging
Cantidad de contenido: 1.00 Unidad de contenido: Pieza